



TYPE: EXL 2 wing hinge for PVC door
MAXIMUM LOAD CAPACITY: 160 kg
POSSIBILITY OF USE IN FIRE DOOR: no
OTHER:
independent and smooth adjustment in 3 directions
easy and fast assembly
certificated product
PRODUCT CODE:
EXL 1710456X - aluminium, upstand 17mm
EXL 1910456X - aluminium, upstand 19mm
EXL 2210456X - aluminium, upstand 22mm
EXL 2410456X - aluminium, upstand 24mm
EXL HINGE CLASSIFICATION EN 1935:2002 + EN 1935:2002/AC:2003
for use in emergency exit doors
|
|
|
|
|
|
|
|
|
| 4 | 7 | 7 | 0 | 1 | 4 | 1 | 14 |
![]() |
service classes (1-4) |
![]() |
durability (3,4,7) |
![]() |
weight of test door (0-7) |
![]() |
fire resistance (0,1) |
![]() |
security (1) |
![]() |
corrosion resistance (0-4) |
![]() |
intrusion protection (0,1) |
![]() |
hinge class (1-14) |
Assembly and adjustment:
CAUTION!
Presented colours may differ from actual colours, depending on e.g. personal computer settings, etc. and are only for illustrative purposes.
Dimensions:
![]() |
| P - upstand in "0" posiotion: |
| EXL 17.. - 17mm |
| EXL 19.. - 19mm |
| EXL 22.. - 22mm |
| EXL 24.. - 24mm |

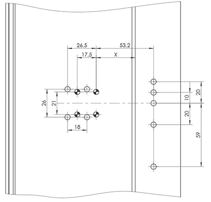
Drilling instruction:
![]() |
drilling Ø5 through the steel hardener |
![]() |
drilling Ø5, depth of drilling - 10mm (usually just through the plastic to hardener) |
![]() |
dimension of drilling distance, settled individually for each system so that the drilling runs completely in the hardener and not behing it. It is also use the settle the templates for drilling the holes in the profile according to suitbale dustances. |
Adjustment:

Office: +48 33 827 23 90
Office: +48 691 80 30 10
Mobile: +48 725 70 80 30
Office: +48 33 827 23 90 (92-99)
Fax.: +48 33 827 23 91
Office: +48 33 827 23 95
Office: +48 33 443 42 69
Mobile: +48 607 686 157
Mobile: +48 726 507 050
Sebastian Imielski
Office: +48 33 443 22 03
Mobile: +48 726 80 70 60
Katarzyna Zoń
Office: +48 33 443 22 04
Mobile: +48 726 80 70 70
Natalia Jakubiec
Office: +48 33 443 22 02
Mobile: +48 726 80 70 50
Adam Adamiec
Office: +48 33 443 22 01
Mobile: +48 721 80 20 80
WALA Sp. z o. o is a leading polish manufacturer of door hardware. We have been on the market continuously since 1980, constantly expanding the offer with new products. Thanks to many years of experience and knowledge in the field of technology, we create innovative projects and take care of their precise execution. We focus on modern design, quality, functionality and high technology. Our company's offer includes door fittings in a full range. We create beautiful and functional pull handles, bolts, glass fittings, top-class hinges for doors, but also classic door handles, knobs, rossets, and modern solutions, that is, access control systems integrated into the pull handle and the door. Production is carried out with the use of modern technologies used in this industry, using the highest quality materials, and with attention to the details of each product and component. Solutions used in products manufactured by the company are subject to specialist research conducted by scientific institutions and are also protected by patent law. Our products have the European CE quality certificate. Every year, the company is a laureate of significant and highly valued business awards that prove its credibility and reliability and obtains international certificates for the highest quality products.